新圖發布∣中南標推薦圖《地下工程防水構造——HST系列》發布
標辦新聞
05-29
2023

圖集名稱:地下工程防水構造——HST系列
圖集編號:23ZTJ016
生效日期:2023年5月30日
批準文號:中南標辦公告第29號
主編單位:湖北省建筑設計院有限公司
協編單位:湖北省路橋集團華晟通建設工程有限公司
內容簡介:
1、適用范圍
1.1本圖集適用于建筑地下防水工程。
1.2市政地下防水工程可依據各相關規范和標準的規定參照使用。
2、編制內容
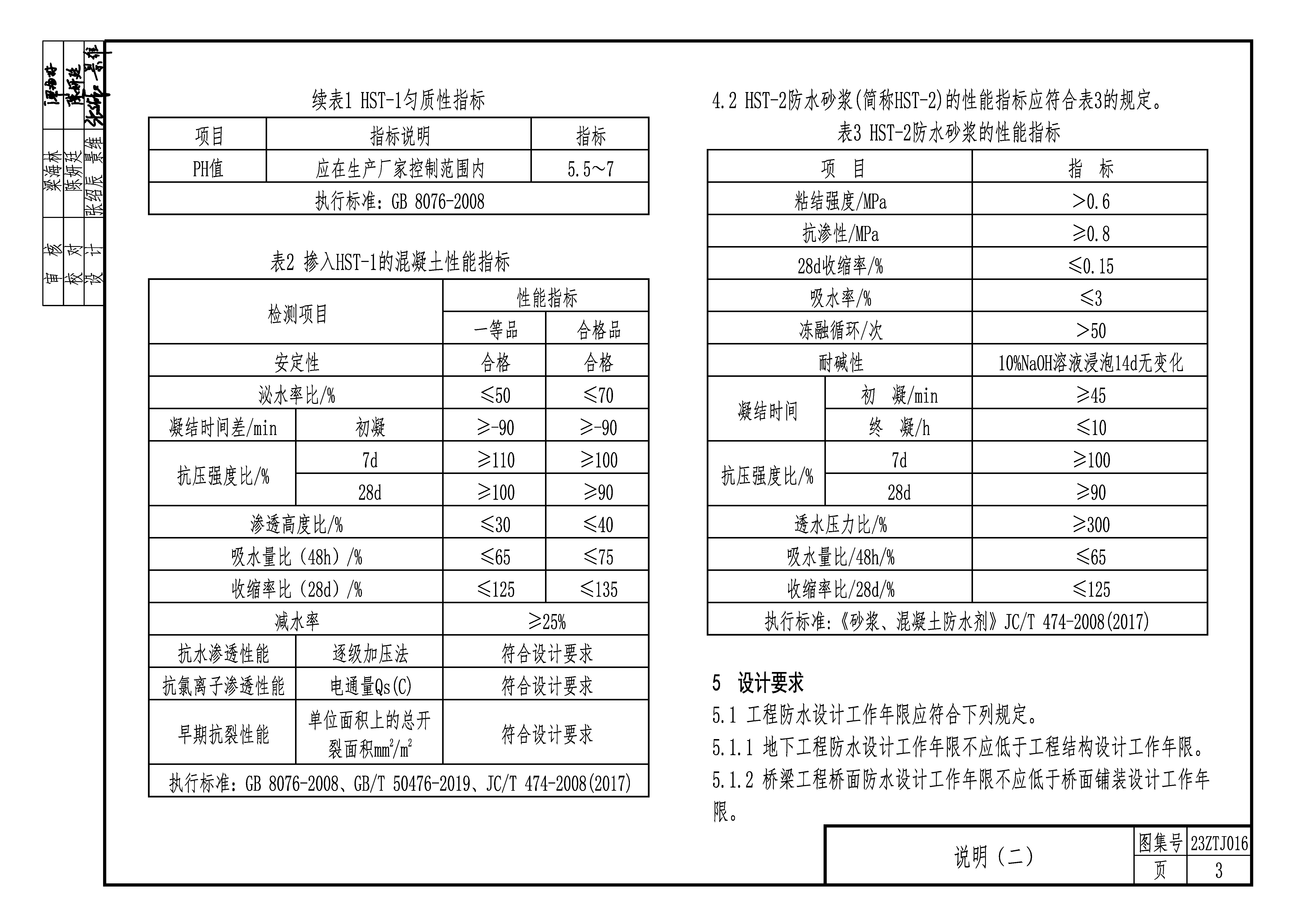
2.1HST系列剛性防水材料的技術性能指標。
2.2地下工程主體防水構造做法。
2.3地下工程細部構造防水節點詳圖。
圖集部分頁面:








中南標辦電話:027-87824704???發行電話:027-87813802
附件:
