新圖發布∣中南標推薦圖《裝配式建筑高性能蒸壓加氣混凝土板》發布
標辦新聞
05-29
2023

圖集名稱:裝配式建筑高性能蒸壓加氣混凝土板
圖集編號:23ZTJ114
生效日期:2023年6月1日
統一書號:155160·3674
批準文號:中南標辦公告第28號
主編單位:湖北省建筑設計院有限公司
協編單位:湖北神州建材有限責任公司、中冶(上海)鋼結構科技有限公司、黃石揚子建安集團有限公司
內容簡介:
1、適用范圍
1.1本圖集適用于新建、改建和擴建的工業與民用建筑。
1.2本圖集適用于非抗震地區和抗震設防烈度為7度及7度以下地區的裝配式建筑工程。
1.3本圖集適用于鋼筋混凝土結構、鋼結構建筑的非承重圍護墻體、內隔墻和樓面板。
1.4本圖集條板外墻系統、拼裝大板外墻系統適用于建筑高度不大于100m的裝配式建筑。
2、編制內容
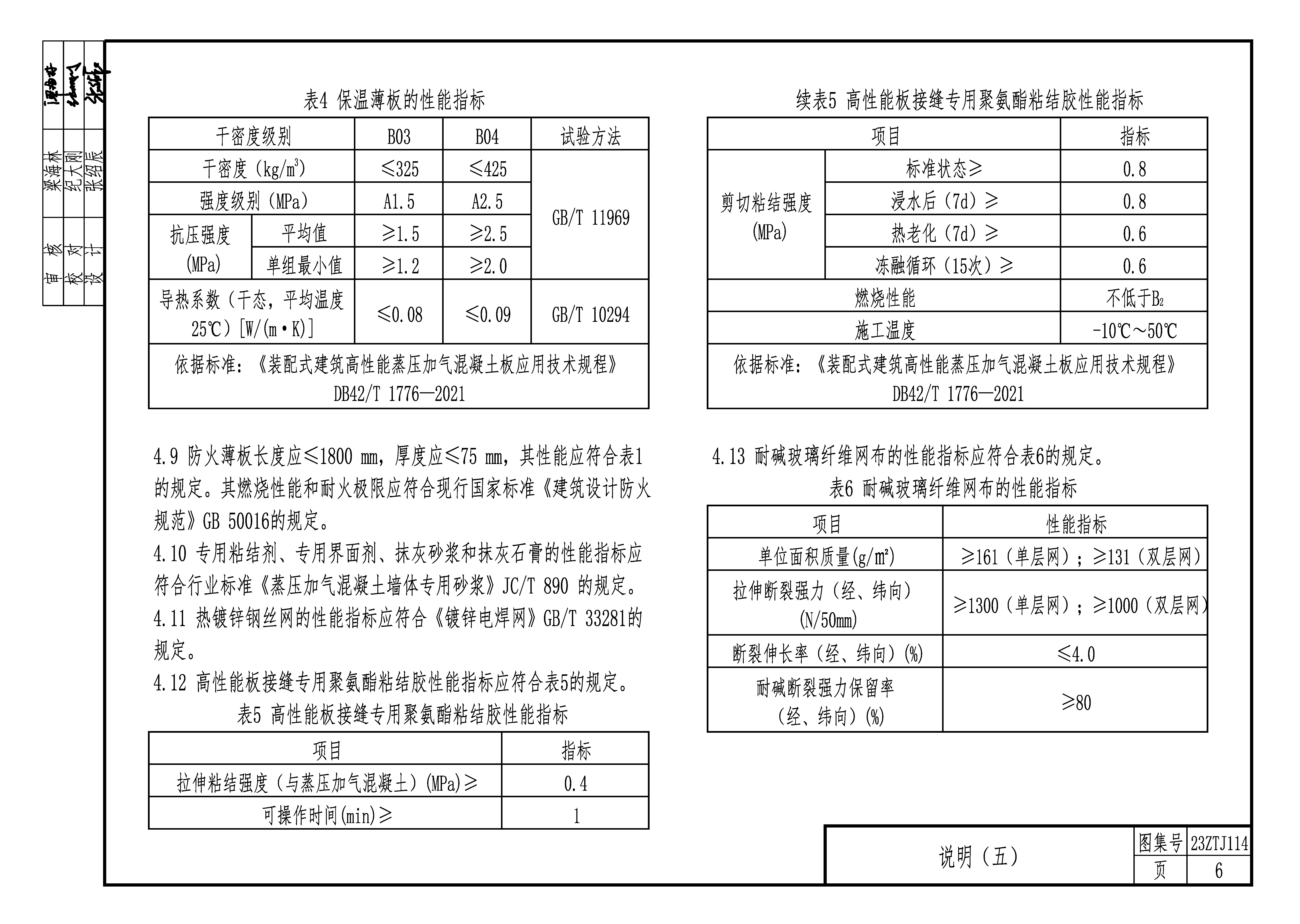
2.1裝配式建筑高性能蒸壓加氣混凝土系列產品的性能指標。
2.2裝配式建筑高性能蒸壓加氣混凝土板隔墻系統、條板外墻系統、集成板外墻系統的構造做法及節點詳圖。
2.3裝配式建筑高性能蒸壓加氣混凝土板樓面板的結構構造做法及節點詳圖。
圖集部分頁面:








中南標辦電話:027-87824704???發行電話:027-87813802
附件:
